M3C柔性分频发电系统
M3C(modular multilevel matrix converter,M3C):模块化多电平矩阵式变换器。
M3C柔性分频输电是西安交通大学王锡凡院士于1994年在“IEE Japan Power&Annual Energy‘94”会议上提出的新型输电方式,采用50/3Hz输电,降低了架空线的输电阻抗,可大幅度提高输电容量,在新能源远距离外送领域具有独特优势。
柔性分频输电技术,通过电力电子型变频装备,拓宽了分频输电系统的运行频率范围,实现大规模新能源的低频汇集与外送,对于解决我国远距离、大容量水电以及风电等新能源接入系统等具有重要的实际意义。


本系统由风力拖动发电机旋转产生16Hz等频率的低频电能,M3C变换器输出50Hz能量接入电网。或者直接用电网模拟器输出16Hz等频率的低频电能模拟新能源输出,再经过M3C变换器输出50Hz能量接入电网。核心控制算法如下:

通过对M3C换流器系统的稳态及动态工作特性进行了详细的分析,对M3C的3个子换流器分别进行αβ0 坐标变换发现:
1)3个子换流器桥臂中的非零序分量只与输入侧的电压电流分量有关,与输出频率分量无关。可以分别对3个子换流器中的非零序分量进行与输入侧同频的dq旋转坐标变换,然后在该旋转坐标系下进行输入侧有功无功的独立控制;
2)每个子换流器的零序分量只与输出侧电气量有关,与输入侧频率分量无关。并且3个子换流器中的3个零序分量将组成一个与输出侧频率相同的三相正序向量,从而可对此三相正序向量进行与输出侧频率相同的dq旋转坐标变换,然后在旋转坐标系下进行输出侧有功无功独立控制。
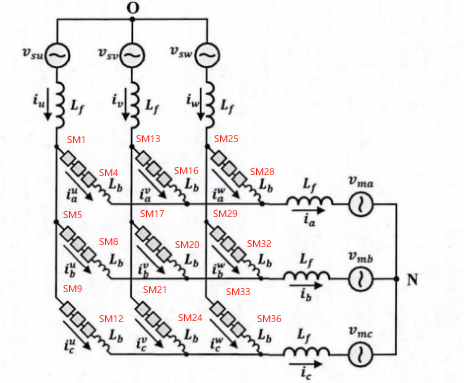
M3C柔性分频输电系统如图所示:
(1)低频侧可以接入低频电网模拟器,电机对拖风力发电平台,电阻模拟器等设备;
(2)工频侧直接接入电网或者接入电网模拟器;
(3)机柜内部集成基于RTUBOX206的M3C控制,36全桥功率模块以及光纤驱动,电压电流采样,9个桥臂电感,工频低频两端的软起功率电路;
(4)M3C监控平台可以实时监控系统内部所有电压电流数据或者波形。

系统主要参数

完整模型算法展示

此部分模块展示ADC模块采集各个子模块及电流电压传感器的电压电流信息。
工频电源线电压Uuv,Uvw,Uwu,工频并网电流Iu,Iv,Iw;
低频电源线电压Uab,Ubc,Uca,工频并网电流Ia,Ib,Ic;
36个功率模块直流电容电压Udcxy1,Udcxy2,Udcxy3,Udcxy4(x=u,v,w;y=a,b,c);
9个桥臂的电流Ixy(x=u,v,w;y=a,b,c)。
然后将电压电流组成向量,方便后期算法计算。

此部分模块展示FPGAPWM的使能和输出。其中ENable为RTUbox206计算输出PWM的使能信号,DO_ENable是功率模块的输出使能信号。保证M3C控制和功率模块脉冲稳定可靠输出。

此部分模块展示软起动的使能和输出。M3C柔性分频发电系统上电后,工频侧通过软起电阻对所有功率模块直流电容充电。Enable使能RTUBOX206的PWM信号输出,同时合工频侧软起接触器,短接软起电阻;DO_Enable使能功率模块输出,同时合低频侧接触器,接入低频负载或者电网。

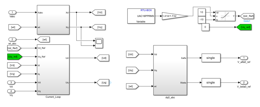
此部分模块展示M3C核心算法:工频侧PLL锁相和DQ变换,低频侧PLL锁相和DQ变换,工频电流并网控制,低频电压闭环控制,双变换桥臂电压均衡控制,双变换桥臂电流控制,桥臂内部电压均衡控制。

(a)工频侧PLL锁相和DQ变换:将线电压Vuvw_line转化为相电压Vuvw,利用DQ变换做PLL锁相输出Wt_uvw并计算Vd_m和Vq_m。

(b)低频侧PLL锁相和DQ变换:将线电压Vabc_line转化为相电压Vabc,利用DQ变换做PLL锁相输出Wt_abc并计算Vd_s和Vq_s。

(c)工频电流并网控制:控制直流母线电压输出工频有功电流分量参考值,工频无功电流分量设定为0,电流内环PI控制叠加电压前馈,输出工频侧电压参考值DQ分量,经过iclark变换输出电压参考值的V0_alfa_ref和V0_beta_ref。

(d)低频电压闭环控制:控制低频侧电压电流输出,经过PI控制和前馈输出低频侧电压参考值DQ分量,经过iclark变换输出电压参考值的V_alfa0_ref和V_beta0_ref。

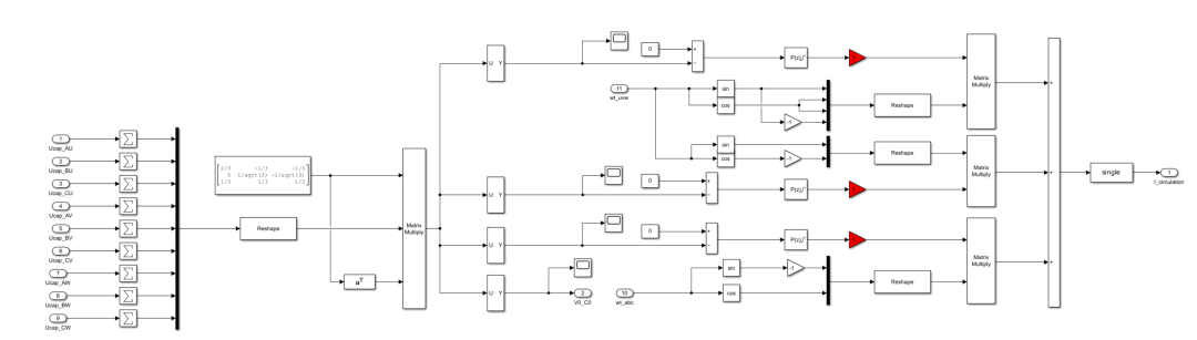
(e)双变换桥臂电压均衡控制:对9个桥臂电压和的3*3直流电压矩阵做双变换,输出桥臂电流平均值和桥臂环流电流参考。

(f)双变换桥臂电流控制:对9个桥臂电流做双变换,对桥臂环流做比例控制输出环流控制参考分量,和上面的输出参考组成3*3输出参考矩阵,经过双变换最终输出的参考电压。

(g)桥臂内部电压均衡控制:对每个桥臂内4子模块的电压做均压控制,生成最终的PWM占空比。

核心算法生成了全桥模块的PWM信号,采用单极性调制脉冲,左侧IGBT半桥采用PWMA脉冲,右侧半桥使用PWMB=1-PWMA。PWMA和PWMB占空比范围是[0, 1]。

M3C共有9个桥臂,每个M3C桥臂有4个IGBT全桥,PWM频率10kHz,PWM1~PWM4分别移相0°,45°,90°,135°。

此部分模块对工频三相电流、低频三相电流载电流、桥臂电流,全桥子模块直流电压进行保护,超出设定阈值,跳开工频和低频侧的接触器,保证系统持续稳定运行。

1、wave模块可以将过程中的任意变量输出,并通过上位机软件观察。
2、Wave rec模块达到触发条件后记录波形并保存,也可再通过上位机软件观察。每条曲线记录20K个点,完整实现故障录波分析。
3、可以实时在线显示工频三相侧电压电流,低频三相侧电压电流,9个桥臂电流,36个子模块直流电压以及算法内部变量的波形。

(1)工频侧电压和低频电流波形

(2)低频侧电压和低频电流波形

(3)算法运行时间75us,36个子模块直流电压目标设定80V,最大直流电压82.37V,最小直流电压77.37V。波形是工频电压波形,低频电压波形,工频电流波形

(4)算法运行时间75us,36个子模块直流电压目标设定40V,最大直流电压38.7V,最小直流电压41.5V。波形是工频电压波形,低频电压波形。

Copyright © 2021 rtunit Inc. 保留所有权利 营业执照编号320121000202103010242苏ICP备2022027768号-1 技术支持:恒网
隐私政策 | 使用条款 | 销售政策 | 法律信息 | 网站地图