波浪能模拟发电系统
在海洋可再生能源开发领域,波浪能的高效利用面临两大核心挑战:一是波浪能本身具有随机性、间歇性的特点,能量捕获效率低下;二是转换后的电能存在剧烈波动,难以直接并网或供负载使用。瑞途优特波浪能模拟发电系统—采用"原动机模拟+多级电能调控"技术路线,通过永磁同步电机、PWM整流/逆变系统和超级电容动态平衡技术,打造出高响应、高集成的波浪能发电解决方案。该技术方案显著提升了波浪能转换效率,为高校及科研院所的海洋能源前沿研究提供了强有力的技术支撑。

图1 波浪能发电系统平台
本系统由波浪拖动发电机转动产生电能,经过三相PWM整流器变换成直流电,再经过双向Buck/boost电路输入超级电容或由负载释放。
三相PWM整流器跟踪波浪拖动发电机的转速和力矩,将机械能转化电能,对直流母线充电。
双向Buck/boost电路对超级电容充放电,稳定直流母线电压,利用两个双向Buck/boost电路交错并联,减小低压侧超级电容充放电流纹波,减小IGBT电流尖峰。
利用斩波器无级调节功率负载率,维持功率大致平衡,保持超级电容SOC恒定。如图2所示。

图2 海洋波浪能发电系统拓扑结构展示
5KW波浪能模拟系统如图3所示:

图3 海洋波浪能发电系统实物展示
完整模型算法如图4所示:

图4 完整模型算法展示
算法模型分模块介绍:
(1)电机参数采集
此部分模块展示电机参数的采集,包括转向、角度、速度、位置等信息。如图5所示。详细介绍。
①电机的参数如转动惯量,极对数,磁通等等。
②相位补偿保证逆变器输出电压和发电机输出电压同相位。

图5 电机参数采集模块
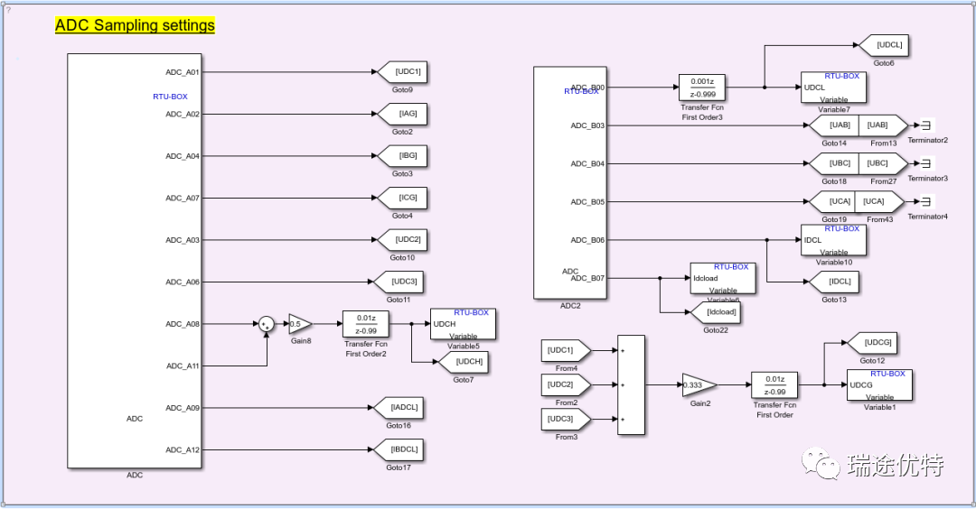
(2)ADC采样设置
此部分模块展示ADC模块采集各个子模块及电流电压传感器的电压电流信息。如图6所示。
采集哪些电气量:
①直流母线电压;
②发电机输出三相电压、电流;
③交错并联buck/boost 2个低压侧电流、超级电容电压;
④负载电流等。

图6 ADC采样设置模块
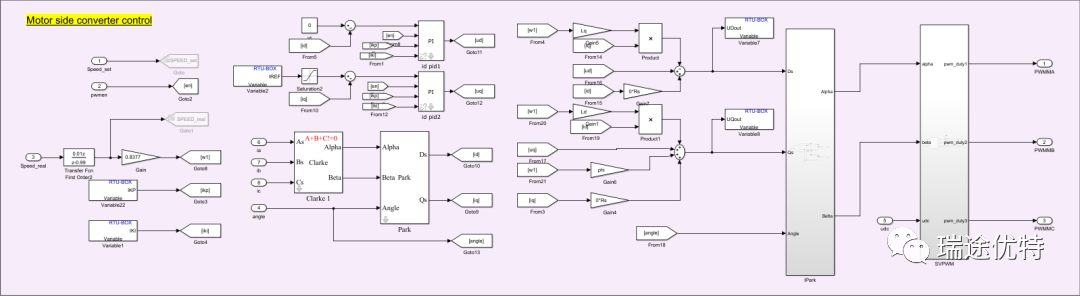
(3)电机侧变流器控制
此部分模块展示电机侧变流器控制算法。如图7所示。
①电流环控制,电流环是控制的根本,在系统进行速度和位置控制的同时系统也在进行电流/转矩的控制以达到对速度和位置的相应控制。
②本电机经过六级减速传动,最大传动比为1500:1,再六级加速传动变换回来,最终传动比为1:1,因为减速器全部是刚性齿轮链接,所以转动惯量较大,转速变化缓慢,导致PI参数不能太小,进而导致电流跟踪缓慢。
③本系统的UQ补偿通过电流全前馈和电流反馈补偿两种方式进行,最大程度上保证电机系统稳定。
④最后通过SVPWM生成调制波。

图7 电机侧变流器控制模块
(4)Buck/boost算法及控制信号设置
此部分模块展示Buck/boost算法、控制信号设置、负载投放设置。如图8所示。
①采用电压环实现直流母线恒定控制,直流母线目标值在线可调。
②Buck/boost交错并联,PWM脉冲相位交错180°。
③负载率在线可调。

图8 Buck/boost算法及控制信号设置模块
(5)波形观测和触发录波功能设置模块
此部分展示波形观测功能和触发录波功能设置模块,如图9所示。
①波形观测模块wave,可以将过程中的任意变量输出,并通过上位机软件观察。
②触发录波功能模块Wave rec,手动触发或达到触发条件后记录波形并保存,也可再通过上位机软件观察。每条曲线记录20K个点,完整实现故障录波分析。

图9 波形观测和触发录波功能设置模块
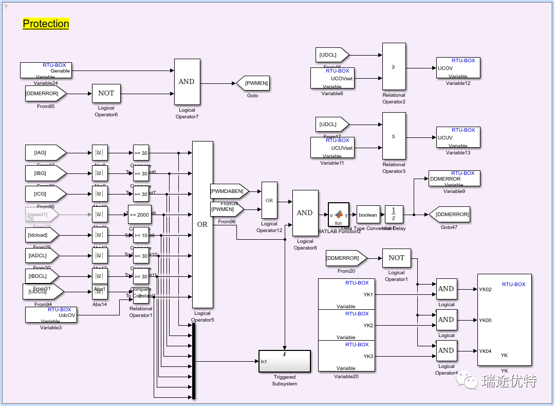
(6) 电压电流保护设置
此部分模块展示对三相电流、负载电流、网侧整流电压、buck/boost高压低压侧电压值的保护,以及接触器的控制信号,保证系统持续稳定运行。如图10所示。
当电流电压转速超过保护值时,触发保护,记录保护状态,封锁脉冲,跳开接触器,将功率电路与发电机和超级电容隔离。同时复位积分累计器。

图10 电压电流保护设置模块
本套实验设备是模拟波浪能发电系统,发电机发出的电能均被电容吸收或由负载释放,但实际情况中是被电容吸收或是输送到电网。实验数据及波形展示主要通过以下三类展示,分别为电容恒流充电、电容恒压放电、抑制波浪功率波动。
(1)恒流充电
每次开机前,超级电容电压为0。为了建立稳定的电压,必须对超级电容充电,将发电机发出的三相电通过三相整流模块变换成直流电。再经过buck/boost电路降低电压后输入到超级电容。控制输入电流以达到恒流充电。波形如视频所示。

(2)恒压放电
当系统停机时候,超级电容上还有很高电压和能量。为了安全运行,必须将超级电容电压放到0。设定直流母线电压,通过负载恒压放电,通过调节负载率调节消耗功率。波形如视频所示。

(3)抑制波浪功率波动
抑制波浪波动是无论电机转速快慢,发电量大小,经过boost电路升压后的高压侧电压都应该保持稳定,发电机发电量较少时,会通过电容输送一些电能,使得高压侧电压保持稳定。发电机发电量较多时,一部分正常发电,超出的部分会以给电容充电的形式被电容吸收,或是由负载释放。波形如视频所示。

本套系统的验收标准,各项均已达标,如图11、12所示。

图11 系统验收文件一

图12 系统验收文件二
Copyright © 2021 rtunit Inc. 保留所有权利 营业执照编号320121000202103010242苏ICP备2022027768号-1 技术支持:恒网
隐私政策 | 使用条款 | 销售政策 | 法律信息 | 网站地图