EN

电机拖动系统


在电力电子与电机控制教学、科研及工程开发领域,高性能、高可靠性的实验平台是推动技术验证与创新的关键。瑞途优特推出的标准永磁同步电机对拖控制实验台,正是为满足工业与科研场景中快速原型开发需求而设计的专业级解决方案。


系统原理图


该实验台提供多种功率版本可选,涵盖0.75kW、1.5kW、3.8kW与5.5kW等多个功率等级,适配不同实验负载与控制需求。系统集成度高,从驱动器主体、电机台架、扭矩仪到负载模拟系统,构建了一套完整的实验生态,支持从基础调制算法到高级控制策略的全流程验证。







01
系统配置







核心子系统,构建完整实验生态


实验台由RTU系列控制器与RTM/RTI系列功率单元组成,具备稳定可靠的硬件基础。电机台架采用稳固的铝制底座,确保实验过程安全;扭矩仪实现高精度扭矩信号测量,配合力矩加载箱,可模拟真实工况下的负载变化。




灵活配置,支持多种开发场景


系统支持多种控制器与功率模块组合,如RTU-BOX201/205/206等,搭配IGBT或SiC功率器件,最高开关频率可达100kHz,满足高频、高效率的开发需求。同时,系统还集成Chopper制动电阻、专用机箱与机柜,保障系统在高压、大电流环境下的稳定运行。



丰富的电机与台架参数,适配多种实验对象


实验台支持多款永磁同步电机,涵盖不同功率、转速与扭矩范围,编码器类型为增量式光电编码器,线数达2500线,确保位置与速度检测的精确性。扭矩仪精度达0.1%,信号输出为±5V,最高转速支持8000rpm,适用于高动态性能测试。



负载模拟系统,精准复现真实工况


瑞途优特提供RTD-V系列电机加载系统,功率覆盖4kW至15kW,支持矢量控制与DTC等多种控制方式,制动电压最高达750V,可实现对电机负载的精确模拟与能量回馈控制。








02
标准例程助力快速上手


为降低开发门槛,实验台配套提供多种标准控制例程,包括SPWM、SVPWM调制算法、坐标变换、VF开环控制、有/无速度传感器FOC双闭环控制等,覆盖从入门到进阶的全阶段学习与开发需求。








03
定制化服务,拓展更多应用可能



除了标准永磁同步电机实验台,瑞途优特也支持定制电机控制实验台的开发,适用于交流异步电机、直流无刷电机、开关磁阻电机、直线电机等多种电机类型,并支持两电平、三电平、多相、背靠背四象限等多种拓扑结构,满足特殊电压、频率与控制架构的定制需求。








04
软件部分


我们控制系统所需要的软件主要包括:RtunitStudio和Matlab,CCS三个软件。软件部分的操作流程如下:



自动生成的代码可查看






05
电机控制程序


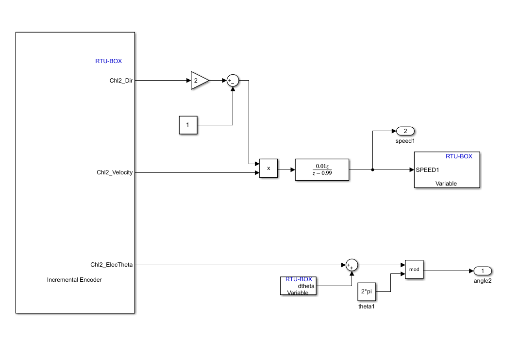
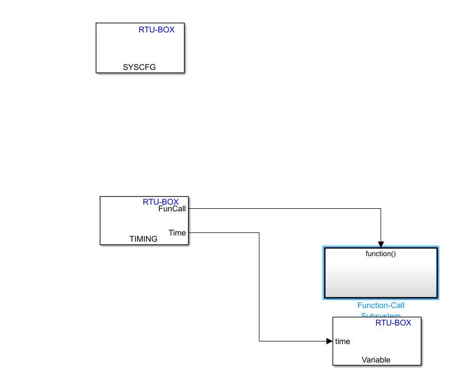
1、SYSCFG可设置系统中断频率,我们一般默认为10k,TIMING模块可用来测量程序运行时长。进入function模型,function部分主要分为电机编码器采样模块、电压电流采样模块、FOC算法模块、和波形的采样模块。



2、我们产品支持增量式、绝对值式、旋变式编码器。下面以增量式编码器为例:根据所调电机编码器参数,在Incremental Encoder模块内部填写数据,主要是电机的极对数,编码器线数,编码器通道的选择,根据转接板所接通道进行适配。



3、点击ADC采样模块,需要根据实际接线选择通道,我们这边选的是ADCA,电压电流的通道需要根据转接板手册更改。ADC模块主要用来采集直流母线电压和三相交流电流,同时我们也支持根据客户需要进行特定电压电流信号的采集。





4、FOC算法部分如下:




①Clarke变换


将三相静止坐标系(αβ)下的电流投影到两相正交坐标系,消除零序分量,构建等效旋转磁场空间矢量,为磁场解耦奠定基础。



②Park变换


结合编码器反馈的转子电角度(θ),将αβ坐标系旋转至与转子磁场同步的dq坐标系,实现磁场(d轴)与转矩(q轴)的完全解耦,使d轴电流控制磁场强度,q轴电流直接对应输出转矩。



③双闭环控制


电流环:通过PI调节器对d/q轴电流误差进行动态补偿,输出d/q轴电压指令(ud,uq),其中d轴通常设为0以弱化磁场,q轴根据速度环指令调节转矩。前馈补偿:引入反电动势补偿项,抑制转子旋转引起的电压耦合效应。



④反Park变换


将旋转坐标系的电压指令转换回静止坐标系,生成αβ轴电压(vα,vβ)。



⑤SVPWM调制


基于αβ电压计算空间矢量作用时间,通过7段式调制策略生成最优PWM波形,最大化直流母线利用率(>95%)并降低谐波畸变率(THD<5%)。



⑥逆变驱动


将SVPWM占空比信号发送至EPWM模块,驱动三相逆变器功率开关管(IGBT/MOSFET),形成闭环控制系统。


5、WAVE 模块用于将Logic 模型中的变量以波形曲线的方式在RTUS中观察,曲线数据的采样率为2kHz(每通道每秒采集2000个数值)。数据接口选择Rtunit Studio,则WAVE 模块数据传输至RTUS;数据接口选择Simulink,则WAVE模块数据传输至Simulink,若选择Simulink接口,需要与Tcp2Sim 模块配套使用。







06
编译和调试





当硬件接线和软件配置完成后,就可以带电机进行在线调试,相关操作步骤如下:

1.推上驱动器后侧的断路器,将排插的电源打开,打开控制器和驱动器。

2.打开直流电源,设定好电压和电流的限幅,再设定好所需的电压值(这里我们先设定为50V),按on/off给驱动器直流侧电压。

3.在Matlab中进行code generate,程序生成成功后,在上位机中进行编译和下载。

4.下载成功后,进入在线状态,打开variants和waves界面,在线进行电机调试。

详细的编译和调试见说明手册和学习视频。



1、0模式为开环模式,将mode模式写0,母线电压给定50V,再给start_stop写1使能。波形如下图所示。



2.闭环模式(未加载)

1模式为闭环模式,将mode模式写1,母线电压给定200V,再给start_stop写1使能。通过更改sp_set来给定速度,这里我从速度初始值200rpm逐步递增至1800rpm,各参数及波形如下图所示。



3.闭环模式(加载)

1方法同上,先将速度调至想要的速度(本实验1800Rrpm),等速度稳定在1800rpm(加载系统操作请看加载柜使用指南),打开加载系统,开始加载,各参数及波形如下图所示。








Project Case


项目案例




中国矿业大学


沈阳工业大学


哈尔滨工业大学


香港科技大学


常熟理工学院


安徽理工大学


Copyright © 2021 rtunit Inc. 保留所有权利 营业执照编号320121000202103010242苏ICP备2022027768号-1 技术支持:恒网

隐私政策 | 使用条款 | 销售政策 | 法律信息 | 网站地图